Idlers are offered with rollers suitably designed to ensure the proper alignment of belt and protects it from wear and tear. These are procured using quality premium steel and contains an idler shell, spindle, bearing, seals equipment, axial fixed units. The diameter and length of the idler depends on the belt width(mm), belt travel speed(m/s), belt weight(kg/m), system duty, conveyor capacity(t/h) and type of roller involved.
(A)Impact Roller:
These idlers may be trough or flat type with grooved, molded rubber rolls. With accurate shaft, the ball bearing is provided with ZZ shield deep-groove to ensure nice fit and off-set at any expected rise in temperature during operation by means of internal clearance. The particular labyrinth seal structure is of non-contract type, so durable and has less rotation-resistance. It is an essential practice to use impact idlers at all loading and transfer points when the impact force exceeds 40 foot pounds. Also, it avoids damage to the belt at the loading point. Due to its impact absorption at transfer place, optimum performance, longer functionality, the product finds appreciation in cement, shipping, coal & ore industries.
.PNG)
|
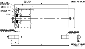
S.No. |
Description |
|
1 |
Shaft |
|
2 |
Barrel is 9295/79 |
|
3 |
Bearing Housing |
|
4 |
Spacer |
|
5 |
Bearing |
|
6 |
Labyrinth ring inner |
|
7 |
Labyrinth ring outer |
|
8 |
Circlip 60*2mm |
|
9 |
Dust seal-Inner |
|
10 |
Dust seal-outer |
(B)Trough Roller:
Trough rollers are idlers mounted on the top side of the belt which carries the material. With rigid frame, it is suitable for light to medium capacity and belt speed systems. High accurate steel pipes ensure the rollers with less vibration and noise level. Multi labyrinth seals avail dust proof and waterproof. They support the belt in the section of conveyor that transports material. It may be flat or 20 degree, 35 degree, and 45 degree troughing types of equal or unequal roll length. Unequal rolls are used where magnetic separation, picking are needed. Besides that trough conveying rollers are applicable in industry sectors such as mining, food, paper.
.PNG)
(C)Return Roller:
A return roller assembly configured to support a belt in a continuous belt conveyor system, comprising the cold drag steel axle, high strength roller shell and bearing housing followed by rubber rings for high quality performance. With single steel roll, the rubber rings are pointed, assembled at intervals, in the central part of the roller, where they have the scope to break up the scale which normally is present at the belt center. Return rollers with rings should not be used as belt tension devices. These rollers are classified into flat & vee-return type and used in mining, quarrying, extractive industries.
.jpg)
|
S.No. |
Description |
|
1 |
Shaft |
|
2 |
Barrel |
|
3 |
Bearing Housing |
|
4 |
Grease seal ring |
|
5 |
Inner seal |
|
6 |
Bearing |
|
7 |
Labyrinth ring outer |
|
8 |
Labyrinth ring inner |
|
9 |
External Circlip shaft-40* |
|
10 |
Dust seal-Inner |
|
11 |
Dust seal-outer |